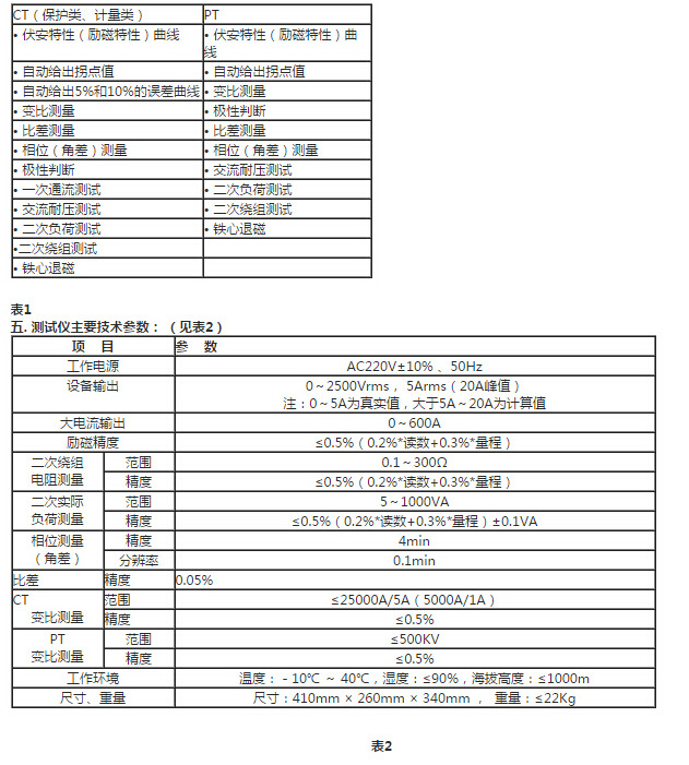
LCH125互感器伏安特性测仪 产品类别:互感器特性测试系列 一.设计用途 设计用于对保护类、计量类CT/PT进行自动测试,适用于实验室也适用于现场检测。 二.参考标准 GB 1207-2006、GB 1208-2006 三.主要特征 • 支持检测CT和PT • 满足 GB1207、GB1208等规程要求. • 无需外接其它辅助设备,单机即可完成所有检测项目. • 自带微型快速打印机、可直接现场打印测试结果. • 采用智能控制器,操作简单. • 大屏幕液晶,图形化显示接口. • 按规程自动给出CT/PT(励磁)拐点值. • 自动给出5%和10%误差曲线. • 可保存3000组测试资料,掉电后不丢失. • 支持U盘转存资料,可以通过标准的PC进行读取,并生成WORD报告. • 小巧轻便≤22Kg,非常利于现场测试. LCH125互感器伏安特性测仪 四.测试仪主要测试功能:(见表1) 
|